Hüdrauliline aksiaalne muutuva kolbpump A1vo18/28/35
Põllumajandusmasinate osad Rexrothi hüdrauliline muutuva teljega kolbpump A1vo18/28/35 traktoritele
Kõik HYLEMANi tooted on originaaliga täiesti samaväärsed ja vahetatavad.
Omadused
Madalad heitgaasid ja parem kütusesääst on ehitusmasinate tootjate ja{0}}lõppkasutajate põhinõuded. Muutuva töömahuga pumpade ja hüdrosüsteemide kasutuselevõtt, mis juhivad võimsust nõudluse alusel, on tõhusust oluliselt parandanud. Varem kasutati muutuva töömahuga pumpasid ainult suure võimsusega-seadmetes; kulupiirangute tõttu pidid madala võimsusega-seadmed toetuma-mahukatele avatud keskusega-süsteemidele koos fikseeritud töömahuga pumpadega. Aksiaalkolbiga muutuva töömahuga pumbaga A1VO on Boschh Rexroth vähendanud hinnavahet võrreldes sarnase kompaktse suurusega hammasrataspumpadega.
Väga ökonoomne koormus{0}}anduriga kolbpump - Alternatiiv fikseeritud pumpadele
Funktsioonid
Kompaktne, paindlik ja usaldusväärne disain
Tootmisparameetrite ja kompaktsete mõõtmetega, mis sarnanevad fikseeritud{0}}mahuga hammasrattapumpadele, saavad tootjad hõlpsasti üle minna Boschh Rexroth A1VO muutuva töömahuga pumpadele. A1VO efektiivsus on peaaegu 90% ja selle kasutusiga on võrreldav Boschh Rexroth A1VO ja A10VNO pumpadega,{7}}mõlemad on laialdaselt kasutatavad suure võimsusega seadmetes. Täielikult varustatud läbiva{10}}võlliga toetab see erineva suurusega läbi{11}}võlli ajameid, mis hõlbustab A1VO kombineerimist teiste pumpadega.
See kasutab 7-kolvi pöörlevat rühma, mis integreerib kõik õlipordid ja kontrollerid pordiplaadile, et võimaldada A1VO kompaktset disaini. Korpuse kõigi kõrgsurveühenduste kõrvaldamine suurendab veelgi tihendusvõimet.
Mitmekülgsed juhtimisrežiimid mitmele süsteemile
Saadaolevate juhtimistüüpide hulka kuuluvad DR-juhtimine, koormuse{0}}anduri juhtimine ja ED-juhtimine. See muudab A1VO kulusäästlikuks-alternatiiviks paljudele hüdrosüsteemidele, mis on praegu varustatud fikseeritud-mahtpumpadega-, sealhulgas väikeste masinate hüdraulikakomponendid ja suurte seadmete lisafunktsioonid (nt ventilaatoriajamid ja roolivõimendiseadmed).
Kütuse kokkuhoid tänu LS-i hüdraulikakomponentidele
Hüdrauliliste komponentide koormuse{0}}anduri (LS) tehnoloogia on parema energiatõhususe saavutamiseks võtmetähtsusega. Sel põhjusel on A1VO-d edukalt kasutatud väiketraktorites. Põhjalikes simulatsioonides, kus kasutati OEM-mootorit koos müügiloleva 90 hj diiselmootoriga (66 kW), näitavad Boschh Rexrothi inseneride arvutused, et energiatarbimise kokkuhoid võib ulatuda 10-16%ni töötunni kohta.
Kui muutuva töömahuga pump töötab osalise koormuse all-, näiteks transportimise ajal või siis, kui seda kasutatakse koos esi-otsalaaduriga-, maksimeerib see diislikütuse kokkuhoidu. Võttes aluseks traktorite tüüpilise 6000-tunnise kasutusea ja eeldades tüüpilist koormusprofiili, võib diislikütuse kokkuhoidu oodata ligikaudu 10 000 liitrit.

Omadused
1. Muutuv pump aksiaalse kolviga pöörleva plaadikonstruktsiooniga hüdrostaatiliste ajamite jaoks avatud vooluringis
2.Vool on võrdeline ajami kiiruse ja nihkega.
3. Voolu saab reguleerimise abil lõputult muuta
pöördeplaadi nurk.
4.Märkimisväärne kütusesääst kuni 15% võrreldes
fikseeritud süsteemid
5. Optimeeritud tõhusus, kuigi sama võimsus
väiksema kütusekuluga
6.Pikem kasutusiga võrreldes hammasrataspumpadega
7. Kompaktne disain integreeritud kontrolleriga
8. Lai valik väga kohandatavaid juhtseadmeid kõigile
Olulised rakendused
1. Madal müratase
2. Suur võimsustihedus
3. Suurepärased imemisomadused
4. Suur paindlikkus tänu vahetatavale draiviadapterile


Eelised(Laadige{0}}Sensing System vs Open Center)
1. Kompaktne disain tänu integreeritud kontrollerile (paigaldatud pordiplaadile)
2.Vähendatud võimsuskaod
3. Sarnane paigaldusruum nagu väline hammasrattapump
4. Vahetatav tänu hammasrataspumpadele sarnastele kinnitusäärikutele
5. Suur paindlikkus tänu vahetatavatele draiviadapteritele
6. Suured isetäitumis-kiirused
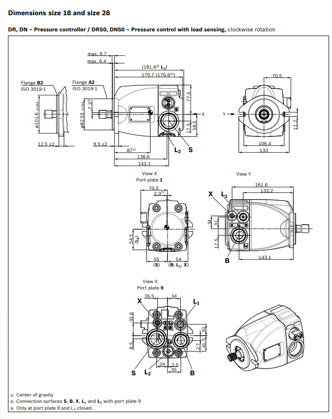
Üksikasjalikud pildid




Tellimiskoodid

Paigaldusjuhised




Ettevõtte profiil




Pakendi pildid

Näitused




Meie eelised
Miks valida HYLEMAN?
Suurepärane kvaliteet, mida toetab asjatundlikkusKasutades 15-aastast kogemust hüdropumpade projekteerimise, uurimis- ja arendustegevuse ning tootmise vallas, pakuvad meie tooted tipptasemel-kvaliteeti, mis konkureerib nii kodumaiste kui ka rahvusvaheliste tootjatega. Igal seadmel on meelerahu suurendamiseks 1-aastane garantii.
Range kvaliteedi tagamineKasutame ranget kvaliteedikontrollisüsteemi: 100% toodetest testitakse enne saatmist ja igale seadmele määratakse kordumatu jälgimiskood. See protsesside täielik-järelevalve tagab ühtlase kvaliteedi igale kliendile.
Tipptasemel--{-tehnilised tootmisseadmedMeie tootmine põhineb äsja imporditud CNC-masinatel Saksamaalt ja Jaapanist. Need täiustatud tööriistad võimaldavad meil täita veelgi kõrgemaid toote täpsuse standardeid.
Tugevad tehnilised võimalusedMeie tehnilisel meeskonnal on üle 20-aastane kogemus pumpade projekteerimisel ja inseneritööl ning meie peainseneril on rohkem kui 40-aastane tööstuse kogemus. Meil on ka 15-liikmeline uurimis- ja arendusmeeskond, mis on pühendunud pumpade optimeerimisele ja uute toodete arendamisele.
Konkurentsivõimeline hinnakujundusTänu tõhusale juhtimistavale on meie hinnad konkurentsivõimelisemad kui originaalvarustuse (OE) alternatiivid ja mõistlikumad kui enamiku kodumaiste tarnijate pakutavad hinnad.
Kiire kohaletoimetamineVäikesed tellimused täidame ühe nädala jooksul. Suuremate tellimuste,-nagu kuni 500 pumba või kassetikomplekti-partiid, tarnimine toimub tavaliselt ühe kuu jooksul.
Usaldusväärne garantiikateKõikidel HYLEMANi toodetel on 1-aastane garantii alates meie tehasest tarnimise kuupäevast.
Läbimõeldud klienditugiPakume ööpäevaringset tehnilist tuge--öpäevaringselt klientidele toote kasutamisel tekkivate probleemide korral ning peame esmatähtsaks lahenduste pakkumist nii kiiresti kui võimalik.
Pikaajalised{0}}strateegilised partnerlussuhtedMeie eesmärk on luua klientidega pikaajaline{0}}strateegiline koostöö, tehes koostööd HYLEMANi kaubamärgi kasvatamiseks. Samuti toetame ja koolitame potentsiaalseid partnereid, et saada meie esindajateks piirkondades ja riikides üle maailma.
Kuum tags: hüdrauliline aksiaalne muutuva kolbpump a1vo18/28/35, Hiina hüdrauliline aksiaalne muutuv kolbpump a1vo18/28/35 tootjad, tarnijad, tehas
Ju gjithashtu mund të pëlqeni
Küsi pakkumist














